Implementación de funciones lógicas usando compuertas

Segunda Práctica:

Para esta segunda práctica de laboratorio haremos uso de compuertas lógicas con el fin de representar ciertas funciones lógicas a través de diferentes configuraciones.

Introducción:

Al realizar un circuito compuesto de compuertas lógicas nos podemos dar cuenta que todos los elementos de nuestro circuito son representables por una variable lógica, teniendo en cuenta que usamos el sistema binario por lo que solo usamos 0 o 1 (Alto/High o Bajo/Low). Por lo que las funciones que se realizan en nuestro circuito son representadas por el conjunto de leyes y reglas de operación de variables lógicas que se denomina álgebra de Boole. De la misma manera ya que cada compuerta lógica de nuestro circuito se puede representar por variables lógicas es coherente pensar que cuando estas se combinan entre dos o más de ellas podemos formar circuitos lógicos que responden a funciones lógicas específicas. Una función lógica hace que una o más salidas tengan un determinado valor para un valor determinado de entradas.

Esto hace que múltiples operaciones ya sea como sumar, restar o multiplicar sean representadas en un circuito por medio de compuertas lógicas.

Representación por medio de compuertas logicas de la operación suma

Tablas de verdad:
Para poder representar el funcionamiento lógico que cumple nuestro circuito usamos las Tablas de verdad.

Estas tablas consisten en representar todas las posibles combinaciones de valores que pueden tomar nuestras variables que se encuentran a la entrada del circuito, de la misma manera mostrara todas las posibles salidas o resultados que generan nuestras entradas.También está nos beneficiará ya que es la herramienta que debemos emplear para obtener la forma canónica de la función del circuito, para así poder simplificar y conseguir la función más óptima.

PRACTICA 3- simulación e Implementación de fuentes logicas. | Ing ...
Ejemplo de una tabla de verdad

Metodología:

1. Materiales:

Como se implementará 4 funciones lógicas con su respectivo circuito cada montaje tendrá materiales distintos. Así que:

Montaje 1:

-1 Batería de 4.5v

-1 Protoboard

-Cables de distintos colores

 -1 SPST de conmutadores DIP x 4

 -Resistencias de 10KΩ y 330Ω

 -1 Puerta XOR Cuádruple (7486)

-1 Puerta NAND cuádruple (7400)

-1 Puerta triple NAND de tres entradas (7410)

-1 LED rojo

-1 LED verde

Montaje 2:

-1 Batería de 4.5v

-1 Protoboard

-Cables de distintos colores

-1 SPST de conmutadores DIP x 4

-Resistencias de 10KΩ y 330Ω

-1 LED rojo

-1 LED azul

-1 puerta AND cuádruple (7408)

-2 puertas OR cuádruple (7432)

-2 puertas XOR cuádruple (7486)

-1 puerta AND cuádruple (7408)

-5 miniplacas de pruebas

Montaje 3:

-1 SPST de conmutadores DIP x6

-Cables de distintos colores

-1 Protoboard

-5 placas de prueba pequeña

-Resistencias de 10KΩ y 330Ω

-1 LED rojo

-1 LED azul

-1 LED verde

-1 XOR puerta cuádruple

-2 puertas NOR

-2 puertas AND cuádruple

-1 puerta OR cuádruple

Montaje 4:

-1 SPST de conmutadores DIP x4

-Resistencias de 10KΩ y 330Ω

-3 inversor hexagonal (7404)

-2 puertas NOR cuádruple (7402)

-2 LED verdes

-2 LED rojos

-2 LED amarillos

-2 LED azules

-2 LED blancos

-1 portador de 3 baterías AA

-3 puertas NAND cuádruple (7400)

-Cables de distintos colores

Metodología:

Para este laboratorio tendremos que montar 4 circuitos cada uno con su respectivo esquema los cuales simularemos en la aplicación tinkercad.

Montaje 1:

-Primero observaremos el montaje y nos dispondremos a cablear el circuito.

Esquema del montaje numero 1

Como podemos observar nuestro circuito consta de 3 entradas y dos salidas por lo que representaremos las entradas por medio de 3 switches del Dip switch tomando a:

-B = 1 switch

-A = 2 switch

-Cin = 3 switch

Las salidas las representaremos por medio de 2 LEDs de distintos colores en este caso:

S = LED verde

Cout = LED rojo

-Después de haber definido las entradas y salidas de nuestro circuito nos disponemos a cablear el circuito.

Montaje 1

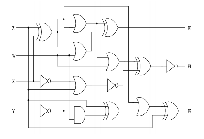
Montaje 2:

-Primero observaremos el montaje y nos dispondremos a cablear el circuito siguiendo los pasos del montaje anterior.

Esquema del montaje numero 2

Como podemos observar nuestro circuito consta de 4 entradas y 3 salidas por lo que representaremos las entradas por medio de 4 switches del Dip switch tomando a:

Z = 1 switch

W = 2 switch

X = 3 switch

Y = 4 switch

Las salidas las representaremos por medio de 3 LEDs de distintos colores en este caso:

F0 = LED azul

F1 = LED verde

F2 = LED rojo

Teniendo en cuenta esto nos disponemos a montar nuestro circuito.

Montaje 2

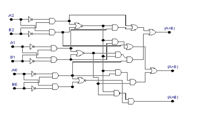
Montaje 3:

-Primero observaremos el montaje y nos dispondremos a cablear el circuito siguiendo los pasos del montaje anterior.

Esquema del tercer montaje

Como podemos observar nuestro circuito cumple la función lógica de un comparador, también consta de 6 entradas y 3 salidas por lo que representaremos las entradas por medio de 6 switches del Dip switch tomando a:

A2 = 1 switch

B2 = 2 switch

A1 = 3 switch

B1 = 4 switch

A0 = 5 switch

B0 = 6 switch

Las salidas las representaremos por medio de 3 LEDs de distintos colores en este caso:

(A < B) = LED azul

(A > B) = LED verde

(A = B) = LED rojo

Teniendo en cuenta esto nos disponemos a montar nuestro circuito.

Montaje 3

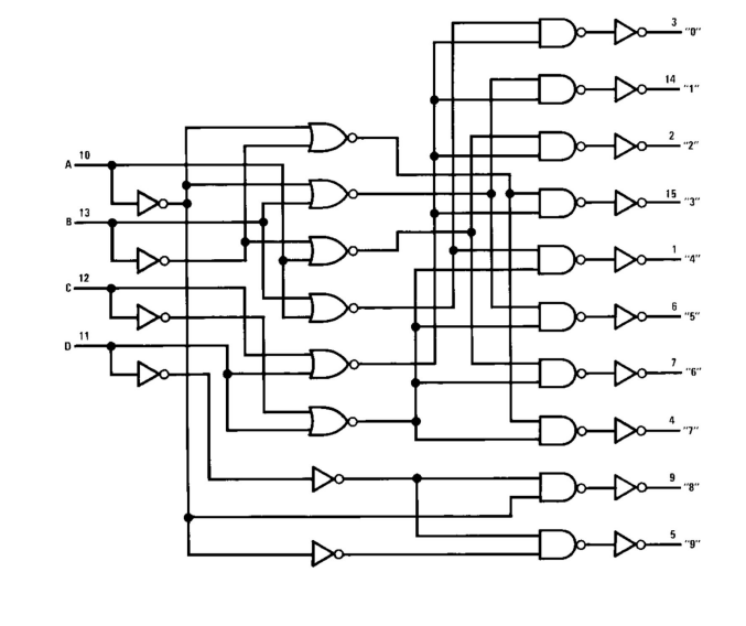
Montaje 4:

-Primero observaremos el montaje y nos dispondremos a cablear el circuito siguiendo los pasos del montaje anterior.

Esquema del montaje 3

Como podemos observar nuestro circuito cumple la función lógica de un convertidor de binario a decimal solo para 4 digitos (del 0 al 9), también consta de 4 entradas y 8 salidas por lo que representaremos las entradas por medio de 6 switches del Dip switch tomando a:

A = 1 switch

B = 2 switch

C = 3 switch

D = 4 switch

Las salidas las representaremos por medio de 9 LEDs de color rojo en este caso.

Montaje 4

Analisis de resultados:

Después de realizar los montajes, llenamos la respectiva tabla de verdad de cada uno de los circuitos.

Montaje 1:

En este circuito contamos con 3 entradas, por lo que tendremos 8 diferentes combinaciones:

Tabla de verdad montaje 1

De esta tabla se puede resaltar que las dos salidas solo estan en el estado binario 1 o en el estado binario 0 solo cuando todas las entradas están en estado binario 0 o estado binario 1.

Montaje 2:

En este circuito contamos con 4 entradas, por lo que tendremos 16 diferentes combinaciones:

En este circuito podemos concluir que en ninguna combinación las 3 salidas van a estar en un estado binario alto al igual que ninguna salida da un estado binario alto en el código 13, 12, 9 y 8.

Montaje 3:

En este circuito contamos con 6 entradas, por lo que tendremos 64 diferentes combinaciones:

Tabla de verdad montaje 3
Tabla de verdad montaje 3

Podemos observar que en más de una combinación hay dos salidas en estado binario alto por lo que podemos darnos cuenta que nuestro montaje no cumple correctamente en ciertas combinaciones la función lógica de comparador, ya que al ser un comparador máximo puede haber una salida en estado binario alto por combinacion.

Conclusión:

-Aprender que según como se combinen las compuertas lógicas el funcionamiento de nuestro circuito puede dar operaciones bastante variadas como se vio anteriormente como por ejemplo un comparador.

-Entender lo que es una tabla de verdad y los beneficios que trae al momento de analizar nuestros circuitos y de verificar el correcto funcionamiento de este.

Diseña un sitio como este con WordPress.com
Comenzar