DIECISEISAVA PRÁCTICA
Introducción:
Para esta dieciseisava práctica se usó la interfaz de Psoc con su respectiva tarjeta de desarrollo dada por el docente. En esta práctica se configura un circuito implementado los bloques udbs de psoc esto con el fin de implementar un circuito a partir de máquinas de estado los cuales se pueden generar ya sea por Verilog o por la herramienta a utilizar que es «el asistente de creación de máquinas de estado finito con UDB en Psoc creator. El circuito que implementaremos sera un sistema de semaforización con el cual el semáforo tiene que estar en verde 40 segundos y después 60segundos en rojo, pero cuando pasen mas de 10 carros el sistema de semaforización tiene que cambiar inmediatamente los sistemas de temporización del semáforo en verde y en rojo ya que cuando esto suceda el semáforo verde esta vez tiene que durar 60 segundos y el rojo 40 segundos.
Metodología:
Materiales:
-Software de diseño Psoc creator.
-Psoc-5lp
-la herramienta de diagrama de bloques UDB de Psoc creator.
Procedimiento:
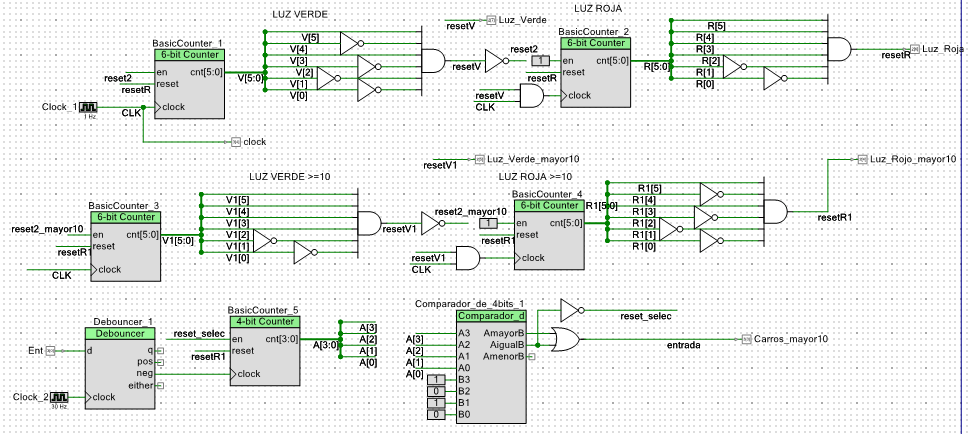
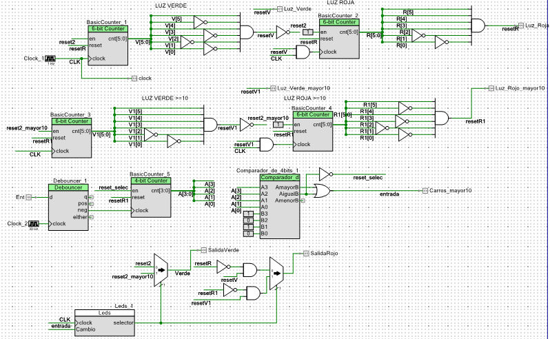
Para la practica lo primero que tenemos que hacer es definir la función del diagrama de estado, en este caso la función que va a cumplir será de dos configuraciones de salida en la cual si no han pasado aun los 10 carros la configuración se mantendrá en la primera salida, configurando la señal de semaforización en verde durante 40 segundos y rojo en 60 segundos. Pero cuando los carros que pasan son 10 o más la configuración de salida cambia logrando así que la semaforización pase a una señal en verde durante 60 segundos y en rojo durante 40 segundos.

Después establecemos el sistema de contadores con los cuales funcionara el sistema de semaforización.

En el cual generamos los dos sistemas de semaforización, los cuales van a ser los contadores de temporización tanto para el tiempo en las señales antes de que pasen los 10 carros y después de que pasen los 10 carros por lo que se crean 4 contadores pero los dos primeros van a tener los límites definidos para 40 y 60 segundos respectivamente, y los dos últimos serán los que van a tener los límites definidos en 60 y 40 segundos.
Después podemos observar que por medio de un pulsador logramos simular el paso de carros y lo limitamos cuando sean 10 o más carros los que pasen por medio de un comparador. Este comparador será de 4 bits y va a comparar un contador que tiene su clock por medio de pulsos por lo que cada vez que se pulse 10 veces eso se referirá al paso de 10 carros con lo que el sistema de señalización cambia.

Por ultimo lo unico que hacemos es multiplexar la visualización para ver los sistemas de señalización.

Acá se observa el circuito completo:

Conclusiones:
-Aprender el funcionamiento y las características de la herramienta integrada en Psoc creator para la elaboración de diagramas de estado, al igual que el saber implementarlas y sus correspondientes configuraciones.
-Observar la utilidad de la herramienta de diagramas de estado ya que con ella podemos ahorrarnos un circuito mas complejo elaborando el propio diagrama desde Psoc.