Punto 1:

Hacemos la tabla de verdad:

Hallaremos la ecuación de cada salida por medio de Mapas de Karnaugh:
– Para B1

– Para B2

Implementación en CircuitVerse:

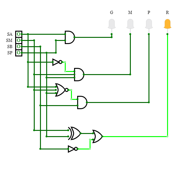
Punto 2:

Hacemos la tabla de verdad:

Hallaremos la ecuación de cada salida por medio de Mapas de Karnaugh:
– Para la salida G

– Para la salida M

– Para la salida P

– Para la salida R

Implementación en CircuitVerse:

Punto 3:

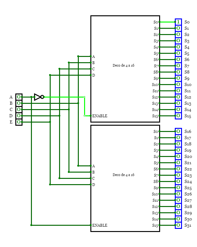
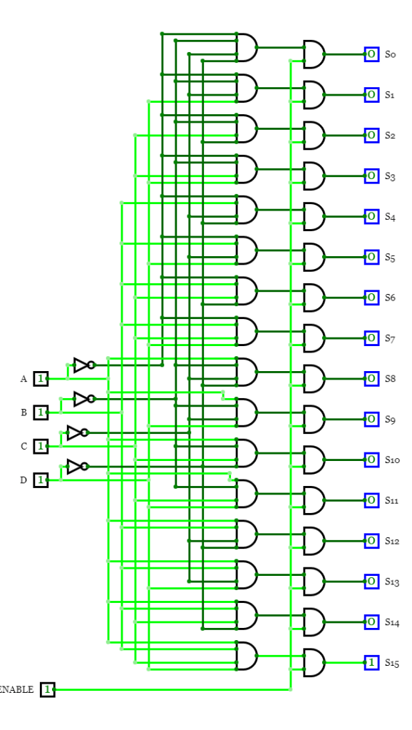
I. Decodificador de 4 : 16
Tabla de verdad

Por miniterminos hallamos las ecuaciones de salida:

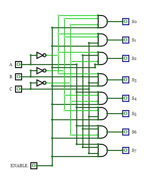
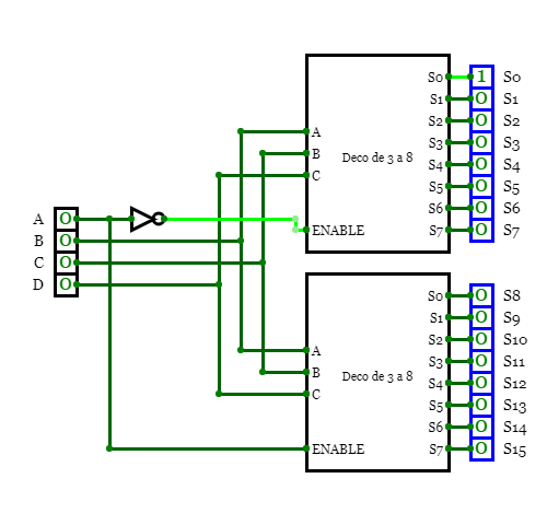
II. Decodificador de 3 : 8
Tabla de verdad

Por miniterminos hallamos las ecuaciones de salida:

Implementación en CircuitVerse:
I. Deco de 4 : 16

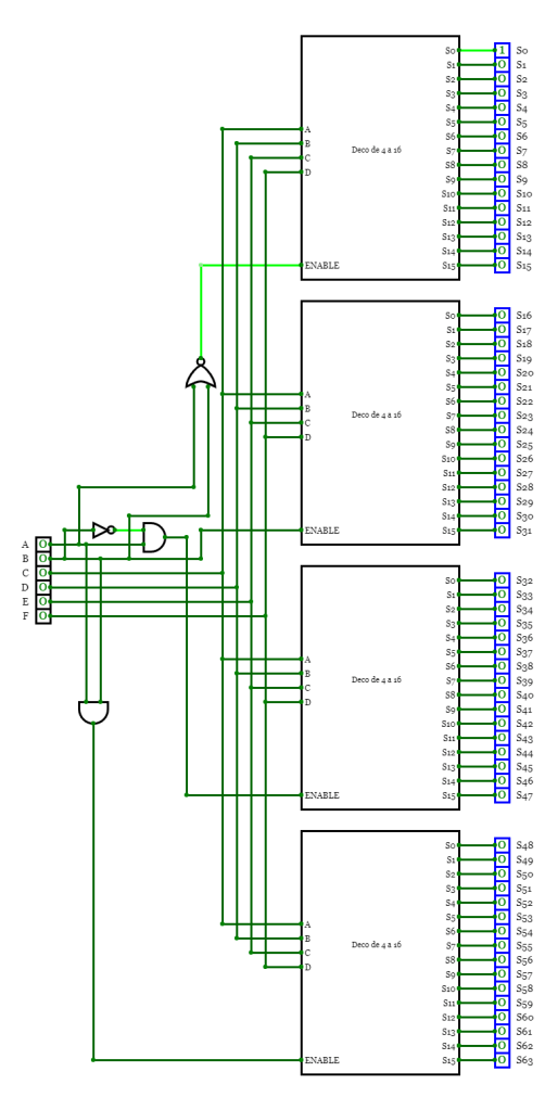
Deco 5: 32

II. Deco 3 : 8

Deco de 4 : 16

III. Deco 4 : 16


Punto 4:

– Construimos el MUX de 4 a 1
Tabla de verdad


Secuencia de los primeros 7 números de la secuencia de Fibonacci

Implementación en CircuitVerse:
