Punto 1:

Hacemos la tabla de verdad:

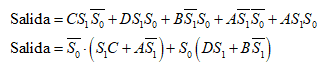
– Por mapa de Karnaugh tenemos:

Implementación en CircuitVerse:
– Circuito normal

– Circuito con compuertas NAND

Punto 2:

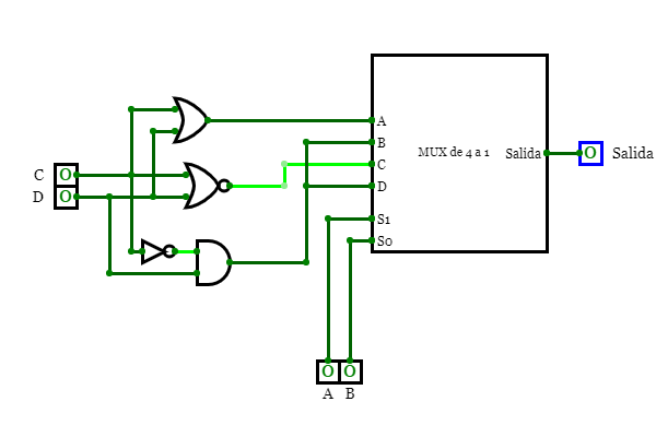
– Construimos el MUX de 4 a 1
Tabla de verdad


Secuencia de los primeros 7 números de la secuencia de Fibonacci

Implementación en CircuitVerse:

Punto 3:

I. Diseñamos el decodificador de 4 : 16


Realizamos la tabla de verdad de la función a trabajar

Por Mapas de Karnaugh hallamos la ecuación de salida


II. MUX de 4 a 1
Tabla de verdad


– Mux 2 : 1
Tabla de verdad

Realizamos la tabla de verdad de la función a trabajar


III. Decodificador de 3 a 8
Tabla de verdad

Analizando la salida del decodificador podremos obtener la ecuación de salida

La ecuación resultante

Implementación en CircuitVerse:
I. Deco de 4 : 16

La función implementada

II. MUX 2 : 1

– MUX de 4 : 1

– MUX de 8 : 1

La función implementada
