CATORCEAVA PRÁCTICA
Introducción:
Para esta catorceava práctica se usó la interfaz de Psoc con su respectiva tarjeta de desarrollo dada por el docente. En esta práctica se implementará un circuito muy parecido a el diseñado en el «lab #12, el sumador/restador de 6 bits. Ingreso por switch» ya que usaremos el mismo procedimiento pero esta vez buscando una configuración apta para que se observen las mismas funciones pero ingresando los datos únicamente por el teclado matricial.
Metodología:
Materiales:
-1 comparador de 6 bits.
– 1 sumador de 6 bits.
– 2 Memorias de 6 bits implementando el flip flop D.
– 2 Mux de 12 a 6.
– 1 circuito con complemento a 2.
– 3 convertidores de binario a BCD de 7 bits.
– 1 decodificador de BCD a 7 segmentos.
-1 display de 7 segmentos de 4 dígitos.
-1 contador de 2 bits.
-1 MUX de 28 a 7.
-1MUX de 16 a 4.
-1 decodificador de visualización
Procedimiento:
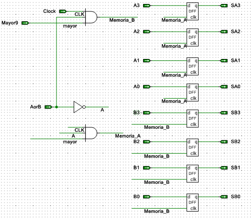
En esta práctica el montaje se diseñó a partir de pasos y de esquemas que se fueron uniendo para lograr el objetivo de la práctica. Implementamos la memoria por medio de flip flops D al cual le agregaremos una configuración de compuertas lógicas para deshabilitar los flip flops D con el objetivo de no guardar el dato en los flip flops cada vez que se oprima un número mayor a 9. Para esto usamos una combinación de compuertas lógicas para lograr deshabilitar el clock al momento de oprimir un número mayor a 9.

Después de tener implementado las dos memorias de 6 bits procedemos a diseñar el comparador de 6 bits, esto con el objetivo de poder realizar la operación resta en nuestro circuito, ya que solo nos va a interesar la salida A < B.

Después de tener diseñado el comparador de 2 bits, realizamos el comparador general el cual sera de gran uso para diseñar el comparador de 4 bits y paso siguiente el de 6 bits.

Teniendo diseñando el comparador de 2 bits, realizamos el comparador de 4 bits:

Después diseñamos los multiplexores de 8 a 4 ya que para generar la resta cuando A < B tendremos que cambiar los selectores del multiplexor para poder generar la resta y poder observar la resta con números negativos.
Partimos de diseñar el MUX de 2 a 1:

Después diseñamos el MUX de 4 a 2:

Luego el MUX de 8 a 4:

Para poder hacer la operación resta a partir de un sumador se hará este proceso por medio del complemento a 2, por lo que el circuito que realice dicha acción tendrá que hacer lo siguiente:

Como se observa si está en 1 el bit de Suma/Resta el complemento a 2 funcionará, en caso de que no a la salida tendremos el mismo número en cual sumaremos con un sumador de 6 bits que diseñaremos a partir de un sumador completo de 1 bit.

Sumador de 4 bits:

Después diseñamos por medio del circuito 74LS185 el convertidor de 7 bits de binario a BCD, usando claramente solo los 4 primeros bits. Primero diseñamos el circuito del 74LS185 por medio del LUT que posee el software Psoc Creator:

Después lo organizamos según el datasheet para obtener un convertidor de binario a BCD de 7 bits:

Después haremos un decodificador de BCD a 7 segmentos con puertas NAND y NOR y un ENABLE para poder variar la visualización por medio del contador de 2 bits:

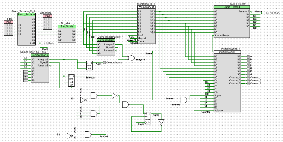
Ya que solo tenemos un display 7 segmentos de 4 dígitos podemos observar que necesitamos mas displays para poder visualizar lo que se nos pide para esta práctica, como conseguir otro display no es posible lo que hacemos es multiplexar la visualización por medio del MUX de 20 a 5 y el MUX de 16 a 4. Ya que vamos a multiplexar los datos de la Memoria A, los datos de la Memoria B y el resultado de la suma y la resta. Esta multiplexación se genera gracias a un decodificador formado con un LUT el cual tendrá la función de asignarle a los números (10, 11, 12 y 13) la configuración de cada posible selección, esto con el objetivo de asignarle a cada número una respectiva visualización. También necesitamos multiplexar el display 7 segmentos de 4 dígitos ya que este posee la misma salida para los 4 dígitos del display por lo que con un contador de 2 bits y una configuración para que los diferentes comunes del display están variando se monta el siguiente circuito:

De esta manera se implementa la visualización dinámica y la vista del circuito completo quedaría de la siguiente forma:

Conclusiones:
-Aprender a incorporar un circuito elaborado en CircuitVerse a la interfaz del software Psoc Creator con el cual hay que adaptarlo para que el circuito funcione por medio de entradas por teclado matricial por lo que se es necesario cambiar aspectos y configuraciones de este circuito para que funcione de manera satisfactoria al momento de implementarlo en la tarjeta de desarrollo con el teclado matricial.
-Entender correctamente el funcionamiento del teclado matricial e implementar este aprendizaje al momento de configurar las entradas del circuito del laboratorio #12 entendiendo las limitaciones y los problemas presentas al momento del ingreso de datos por medio del teclado matricial.
-Observar que se hace necesario no solo la correcta implementación de este circuito pero en este caso con entradas por teclado matricial, sino al igual hacer esta implementación de una manera eficiente ya que los recursos que obtenemos de la tarjeta de desarrollo al igual que del microcontrolador son limitados por lo que se tiene que lograr implementar un circuito eficiente y que cumpla con los requisitos que se piden en la elaboración del circuito.