Doceava Práctica
Introducción:
Para esta doceava práctica se usó la interfaz de Psoc con su respectiva tarjeta de desarrollo dada por el docente. En esta práctica por medio de la interfaz de Psoc se implementa un sumador/restador con entrada por dip switch y visualización en BCD en display de 7 segmentos. Para esto se usarán los mismos componentes de la práctica 10 implementados en CircuitVerse, pero generando pequeñas diferencias al momento de implementarlas en Psoc.
Metodología:
Materiales:
-6 entradas.
1 comparador de 6 bits.
– 1 sumador de 6 bits.
– 2 Memorias de 6 bits implementando el latch SR.
– 2 Mux de 12 a 6.
– 1 circuito con complemento a 2.
– 3 convertidores de binario a BCD de 7 bits.
– 1 decodificador de BCD a 7 segmentos.
-1 display de 7 segmentos de 4 dígitos.
-1 contador de 2 bits.
-1 MUX de 28 a 7.
-1MUX de 16 a 4.
Procedimiento:
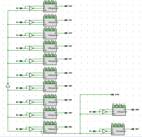
En esta práctica el montaje se diseñó a partir de pasos y de esquemas que se fueron uniendo para lograr el objetivo de la práctica. Implementamos la memoria por medio de flip flops latch SR. Por lo que primero empezaremos será construyendo las memorias de 6 bits por medio de los latch SR. Como este circuito ya viene implementado en el circuito por medio de un encapsulado como se observa en la “figura 1” lo único que hacemos son las conexiones necesarias y el uso de las memorias latch SR necesarias para construir las 2 memorias de 6 bits.

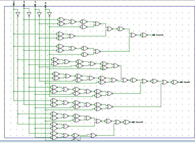
Después de tener implementado las dos memorias de 6 bits procedemos a diseñar el comparador de 6 bits, esto con el objetivo de poder realizar la operación resta en nuestro circuito, ya que solo nos va a interesar la salida A < B.

Después de tener diseñado el comparador de 2 bits, realizamos el comparador general el cual sera de gran uso para diseñar el comparador de 4 bits y paso siguiente el de 6 bits.

Teniendo diseñando el comparador de 2 bits, realizamos el comparador de 4 bits:

Ahora con el comparador de 4 bits y 2 bits realizamos el comparador de 6 bits:

Después diseñamos los multiplexores de 12 a 6 ya que para generar la resta cuando A < B tendremos que cambiar los selectores del multiplexor para poder generar la resta y poder observar la resta con números negativos.
Partimos de diseñar el MUX de 2 a 1:

Después diseñamos el MUX de 4 a 2:

Luego el MUX de 12 a 6:

Figura 8: MUX de 4 a 2
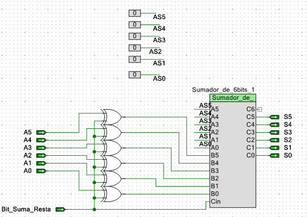
Para poder hacer la operación resta a partir de un sumador se hará este proceso por medio del complemento a 2, por lo que el circuito que realice dicha acción tendrá que hacer lo siguiente:

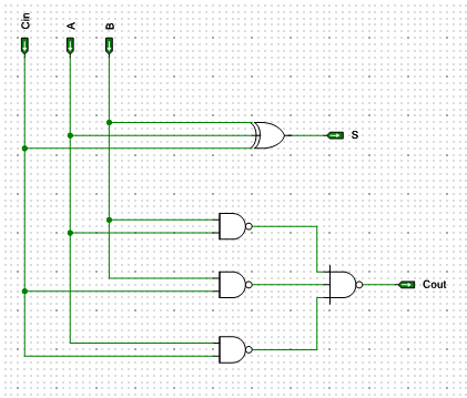
Como se observa si está en 1 el bit de Suma/Resta el complemento a 2 funcionará, en caso de que no a la salida tendremos el mismo número en cual sumaremos con un sumador de 6 bits que diseñaremos a partir de un sumador completo de 1 bit.

Sumador de 6 bits:

Después diseñamos por medio del circuito 74LS185 el convertidor de 7 bits de binario a BCD. Primero diseñamos el circuito del 74LS185 por medio del LUT que posee el software Psoc Creator:

Después lo organizamos según el datasheet para obtener un convertidor de binario a BCD de 7 bits:

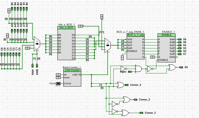
Después haremos un decodificador de BCD a 7 segmentos con puertas NAND y NOR y un ENABLE para poder variar la visualización por medio del contador de 2 bits:

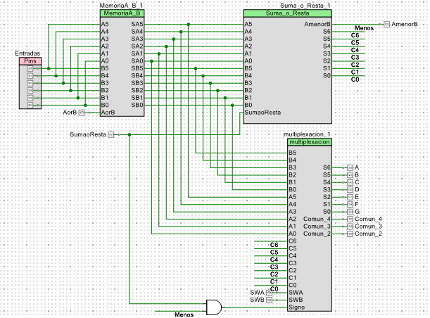
Ya que solo tenemos un display 7 segmentos de 4 dígitos podemos observar que necesitamos mas displays para poder visualizar lo que se nos pide para esta práctica, como conseguir otro display no es posible lo que hacemos es multiplexar la visualización por medio del MUX de 28 a 7 y el MUX de 16 a 4. Ya que vamos a multiplexar los datos de la Memoria A, los datos de la Memoria B y el resultado de la suma y la resta, también necesitamos multiplexar el display 7 segmentos de 4 dígitos ya que este posee la misma salida para los 4 dígitos del display por lo que con un contador de 2 bits y una configuración para que los diferentes comunes del display están variando se monta el siguiente circuito:

De esta manera se implementa la visualización dinámica y la vista del circuito completo quedaría de la siguiente forma:

Conclusiones:
-Aprender a incorporar un circuito elaborado en CircuitVerse a la interfaz del software Psoc Creator con el cual hay que cambiar ciertos aspectos de este circuito para que funcione de manera satisfactoria al momento de implementarlo en la tarjeta de desarrollo.
-Entender que al momento de pasarlo un software y hacer la simulación del circuito más real, un poco más de la vida práctica, nos encontramos con que esta tiene limitaciones por lo que se tuvo que reducir y en algunos componenetes ser más eficientes para que este programa se llevara a cabo ya que la implementación consumen más recursos de lo que el microcontrolador podía brindarnos por lo que se vio obligado el circuito a reducirse y a hacer más eficiente.
– Aprender a multiplexar la visualización y ver que esta técnica posee grandes beneficios ya que nos hace un circuito más eficiente al requerir menos componentes y poder implementar el mismo circuito de mejor manera. Esta técnica es de gran beneficio ya que se puede implementar a diferentes factores sin necesidad de orientarse a la visualización y es una salida rápida para cuando los recursos que se poseen son limitados.