Octava Practica:
Introducción:
Para esta octava practica de laboratorio haremos uso del simulador CircuitVerse y de los Mapas de Karnaugh, haremos uso de comparadores, multiplexores, demultiplexores, una memoria ROM y un display donde se visualizarán los últimos 4 dígitos de nuestro código estudiantil por lo que mostraremos nuestro código por medio de un solo display y mostraremos el procedimiento utilizado para poder visualizarlo en un solo display por medio de la ayuda de un contador.
MEMORIA ROM:
Nos referimos a un tipo de almacenamiento empleado en computadores y otros dispositivos electrónicos, que se caracteriza por ser únicamente de acceso para lectura y nunca para escritura, es decir, que se la puede recuperar pero no modificar o intervenir.
Es una unidad de memoria que sólo ejecuta la operación de lectura; no tiene la posibilidad de escritura. Esto implica que la información binaria almacenada en una ROM se hace permanente durante la producción del hardware de la unidad y no puede alterarse escribiendo diferentes palabras en ella.
Una ROM m x n es un arreglo de celdas binarias organizadas en m palabras de n bits cada una. Una ROM tiene k lineas de entrada de dirección para seleccionar una de 2^k = m palabras de memoria y n líneas de salida, una para cada bit de la palabra.


Basta con especificar el «contenido» de la ROM de manera que los n bits de cada palabra (posición del array) correspondan al valor de la función en el punto (que coincide con el índice del array).
Demultiplexores:
Así como el multiplexor es el que se encarga de seleccionar una entrada (de las posibles 2n, donde n es la cantidad de selectores) y llevarla a la salida, el demultiplexor hace la tarea contraria a este, de tal manera que de una única línea se puede tomar un dato en un instante específico de tiempo y llevarlo a una salida que será seleccionada por el pin selector.
Es un circuito combinacional que tiene una entrada de información de datos d y n entradas de control que sirven para seleccionar una de las 2n salidas, por la que ha de salir el dato que presente en la entrada. Esto se consigue aplicando a las entradas de control la combinación binaria correspondiente a la salida que se desea seleccionar. Por ejemplo, si queremos que la información que tenemos en la entrada d, salga por la salida S4, en la entrada de control se ha de poner, de acuerdo con el peso de la misma, el valor (100), que es el 4 en binario.


Decodificadores:
Es un dispositivo que puede recibir a través de un medio de transmisión compartido una señal compleja multiplexada y separar las distintas señales integrantes de la misma encaminándolas a las salidas correspondientes. La señal compleja puede ser tanto analógica como digital y estar multiplexada en cualquiera de las distintas formas posibles para cada una de ellas. El demultiplexor, es un circuito combinacional que aunque la función básica es la que hemos explicado, puede utilizarse en muchos casos como decodificador y adopta cualquiera de las funciones que un decodificador realiza.

Multiplexores:
Es un circuito digital que selecciona una de entre varias entradas de datos In y transporta su valor a la salida del circuito. La selección de los datos se realiza mediante una o varias entradas de control llamadas selectores. Estas se calculan utilizando la siguiente fórmula: Número de canales de entrada dividido sobre el numero de entradas=2^n, en el cual n sera el numero de selectores necesarios para el correcto funcionamiento de el multiplexor.


Metodología:
1. Materiales:
– 1 decodificador de 2 a 4.
– 1 memoria ROM.
– 1 MUX de 8 a 1.
– 1 DEMUX de 1 a 8.
– 1 contador de 3 bits.
– 1 decodificador de BCD a 7 segmentos.
– 1 Display de 7 segmentos.
– 2 entradas.
– 4 salidas.
Procedimiento:
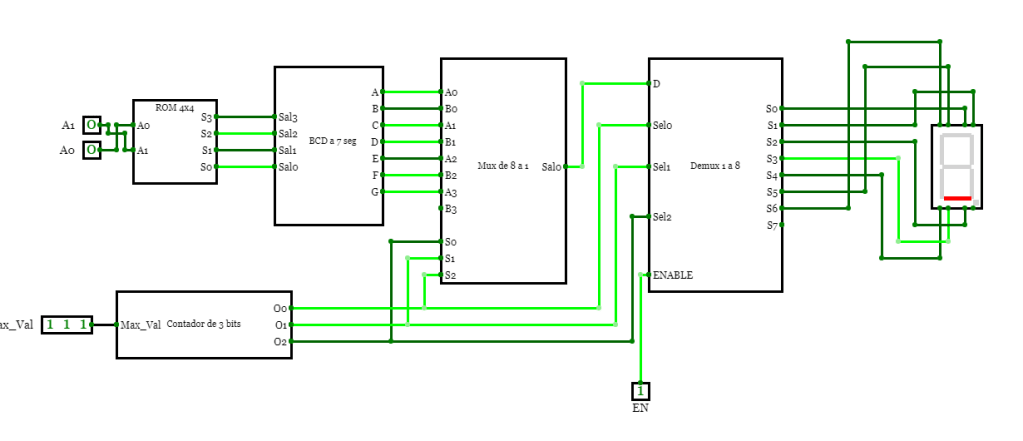
En esta práctica el montaje se diseñó a partir de pasos y de esquemas que se fueron uniendo para lograr el objetivo de la práctica. Mostraremos los ultimos 4 digitos del codigo estudiantil por medio de una combinación de 2 bits de entrada por lo que haremos uso del decodificador de 2 a 4 el cual será usado para crear una ROM 4×4. Para la creación del decodificador lo que hicimos fue tomarla como un demultiplexor por lo que tenemos:



Teniendo implementado el decodificador de 2 a 4 construimos la ROM 4×4:


Después de obtener la memoria ROM nos enfocaremos en crear la decodificación de BCD a 7 segmentos:

Para poder visualizar correctamente nuestros resultados en el display es necesario implementar el MUX se 8 a 1 y el Demux de 1 a 8 ya que al tener los selectores interconectados al contador de 3 bits podremos visualizar de manera efectiva los últimos 4 dígitos del código del estudiante en el display, por lo tendremos para el MUX de 8 a 1 lo siguiente:

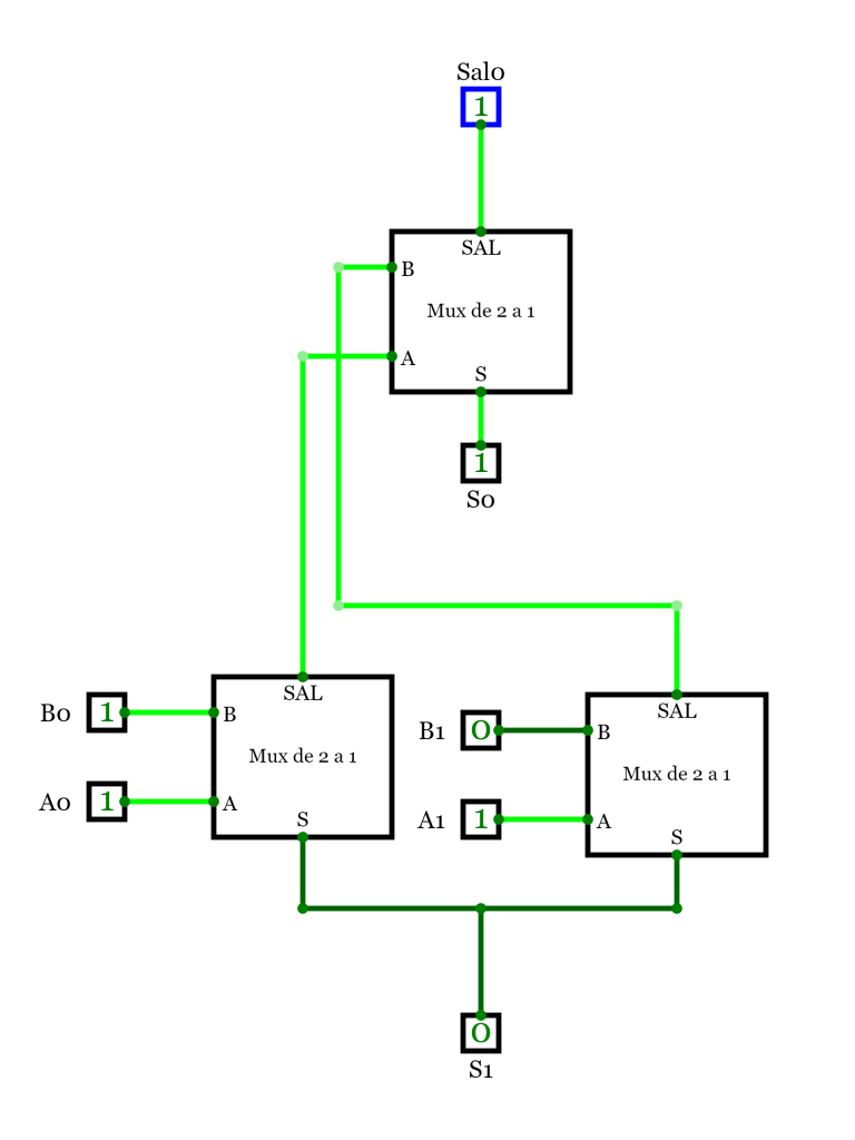
Con el multiplexor de 2 a 1 crearemos el multiplexor de 4 a 1 y paso siguiente el multiplexor de 8 a 1


Ahora implementaremos el demultiplexor empezando por el DEMUX de 1 a 2:

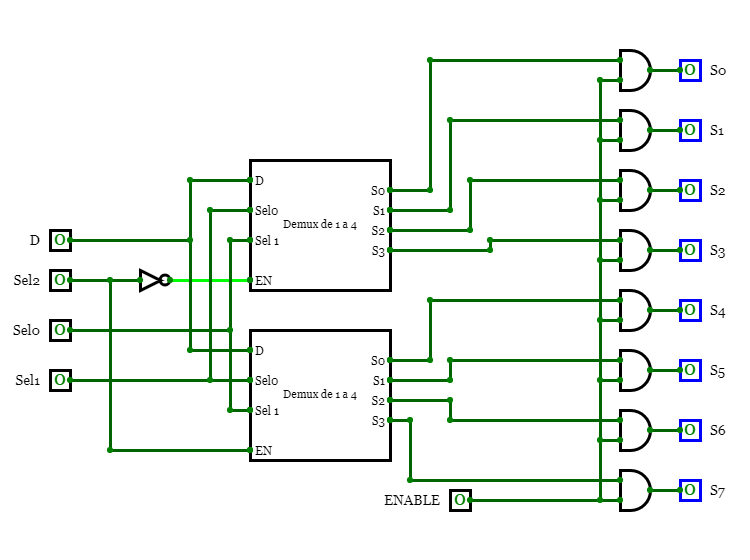
Ahora implementamos el DEMUX de 1 a 8:


Después se muestra el circuito proporcionado por el profesor para poder realizar la visualización correctamente en nuestro display

Después de haber realizado el DEMUX de 1 a 8 lo que haremos será conectarlo a nuestro display para obtener nuestro circuito final.

Análisis de Resultados:
Observaremos primero la ecuación del circuito demultiplexor de 1 a 2 para la creación del DEMUX de 1 a 8


Luego la ecuación del multiplexor de 2 a 1 para la creación del multiplexor de 8 a 1 es la siguiente:

Después hallaremos por medio de la tabla de verdad las ecuaciones para los diferentes segmentos de nuestro display

La ecuaciones que describen el funcionamiento de cada segmento las hallaremos por medio de Mapas de Karnaugh:
Segmento A:


Segmento B:


Segmento C:


Segmento D:


Segmento E:

Segmento F:


Segmento G:


Conclusiones:
– Entender los beneficios de las Memorias Rom ya que como se observa se puede guardar información de una manera muy sencilla pero a su vez la información guardada se guarda permanentemente y es muy usado para guardar información importante de software en la cual es necesario que no se pueda cambiar por lo que las memorias Rom cumplen este objetivo correctamente.
– Observar que el decodificador se puede diseñar a partir de un demultiplexor de una manera más sencilla y fácil de entender al momento de hallar la ecuación que modela el decodificador.
– Entender que por medio de la Visualización dinámica podemos ahorrarnos el uso de más display’s y mayor cableado ya que la información se puede mostrar fácilmente con un solo display.